
中山市住房和城鄉建設局
關于進一步加強房屋市政工程危大工程管理的通知
為貫徹落實市委市政府有關安全生產的工作部署,全面加強房屋市政工程危大工程安全生產工作,根據《中華人民共和國建筑法》《中華人民共和國安全生產法》《建設工程安全生產管理條例》《危險性較大的分部分項工程安全管理規定》(中華人民共和國住房和城鄉建設部令第47號修改)、《廣東省住房和城鄉建設廳關于印發房屋市政工程危險性較大的分部分項工程安全管理實施細則的通知》(粵建規范〔2019〕2號)、《住房和城鄉建設部辦公廳關于印發危險性較大的分部分項工程專項施工方案編制指南的通知》(建辦質〔2021〕48號)等文件要求,全市所有房屋市政工程建設單位必須高度重視,切實履行質量安全主體責任,落實各項質量安全必要措施。現將有關工作要求通知如下:
建設單位應當組織勘察、設計等單位在施工招標文件中列出危大工程清單,要求施工單位在投標時補充完善危大工程清單并明確相應的安全管理措施。
建設單位在申請辦理施工許可手續時,應當提供危大工程清單及其安全管理措施等資料。
建設單位應當按照施工合同約定及時支付危大工程施工技術措施費以及相應的安全防護文明施工措施費,保障危大工程施工安全。因規劃調整、設計變更等原因確需對施工技術措施費以及相應的安全防護文明施工措施費調整的,建設單位應當按照約定予以調整。
建設單位應當依法提供真實、準確、完整的工程地質、水文地質、地下設施以及工程周邊環境等資料。對于按照規定需要進行第三方監測的危大工程,建設單位應當委托具有相應勘察資質的單位進行監測。
建設單位在接到監理單位對施工單位拒不按危大工程專項施工方案施工的報告后,應當督促監理單位立即責令施工單位停工整改;施工單位仍不停工整改的,督促監理單位及時向有關主管部門報告。
施工單位應當在危大工程施工前組織工程技術人員編制專項施工方案。對于超過一定規模的危大工程,施工單位應當組織召開專家論證會對專項施工方案進行論證。
專項施工方案實施前,危大工程應實施2次交底(方案交底、安全技術交底)。方案交底由編制人員或者項目技術負責人應當向施工現場管理人員開展。安全技術交底由施工現場管理人員應當向作業人員開展,并由雙方和項目專職安全生產管理人員共同簽字確認。
施工單位應當嚴格按照專項施工方案組織施工,不得擅自修改專項施工方案。因規劃調整、設計變更等原因確需調整的,修改后的專項施工方案應當按照本規定重新審核和論證。
施工單位應當對危大工程施工作業人員進行實名制登記,提供相關專職安全生產管理人員、特種作業人員名單及其安全生產考核合格證書、特種作業資格證書等,項目負責人及相關管理人員應當在施工現場履職。
施工單位應當在施工現場顯著位置公告危大工程名稱、施工時間和具體責任人員,并在危險區域設置安全警示標志。
施工單位應建立安全檢查制度。安全檢查應由項目負責人組織,專職安全員及相關專業人員參加,定期進行并填寫檢查記錄。
對于按照規定需要驗收的危大工程,施工單位應當匯同監理單位組織相關人員進行驗收。
危大工程發生險情或者事故時,施工單位應當立即采取應急處置措施,并報告工程所在地住房城鄉建設主管部門。建設、勘察、設計、監理等單位應當配合施工單位開展應急搶險工作。
監理單位應當結合危大工程專項施工方案編制監理實施細則,并對危大工程施工實施專項巡視檢查(旁站)。
總監理工程師應按照本規定審查危大工程專項施工方案、監測單位編制的監測方案。
監理單位發現施工單位未按照專項施工方案施工的,應當要求其進行整改;情節嚴重的,應當要求其暫停施工,并及時報告建設單位。施工單位拒不整改或者不停止施工的,監理單位應當及時報告建設單位和工程所在地住房城鄉建設主管部門。
對于按照規定需要驗收的危大工程,監理單位應當匯同施工單位組織相關人員進行驗收。
危大工程應嚴格按照住房和城鄉建設部《危險性較大的分部分項工程安全管理規定》《住房和城鄉建設部辦公廳關于印發危險性較大的分部分項工程專項施工方案編制指南的通知》《廣東省住房和城鄉建設廳關于印發房屋市政工程危險性較大的分部分項工程安全管理實施細則的通知》等文件要求,加強危大工程編寫、審查、論證管理。
實行施工總承包的,專項施工方案應當由施工總承包單位組織編制。危大工程實行分包的,專項施工方案可以由相關專業分包單位組織編制。
(一)工程概況:危大工程概況和特點、施工平面布置、場地及周邊環境情況、施工要求和技術保證條件等;
(二)編制依據:相關法律、法規、規范性文件、標準、規范、操作規程及施工圖設計文件、施工組織設計等;
(三)施工計劃:包括施工進度計劃、材料與設備計劃等;
(四)施工工藝技術:技術參數、工藝流程、施工方法、操作要求、檢查要求等;
(五)施工安全保證措施:組織保障措施、技術措施、監測監控措施等;
(六)施工管理及作業人員配備和分工:施工管理人員、專職安全生產管理人員、特種作業人員、其他作業人員等;
(七)驗收要求:驗收標準、驗收程序、驗收內容、驗收人員等;
專項施工方案應當由施工單位技術負責人審核簽字、加蓋單位公章,并由總監理工程師審查簽字、加蓋執業印章后方可實施。危大工程實行分包并由分包單位編制專項施工方案的,專項施工方案應當由總承包單位技術負責人及分包單位技術負責人共同審核簽字并加蓋單位公章。
對于超過一定規模的危大工程,施工單位應當組織召開專家論證會對專項施工方案進行論證。實行施工總承包的,由施工總承包單位組織召開專家論證會。專家論證前專項施工方案應當通過施工單位審核和總監理工程師審查。
對于超過一定規模的危大工程,專項施工方案經論證需修改后通過的,施工單位應當根據論證報告修改完善后,重新履行《危險性較大的分部分項工程安全管理規定》第十一條的程序。專項施工方案經論證不通過的,施工單位修改后應當按照本規定的要求重新組織專家論證。
建設單位應當在招標文件中列出危險性較大的分部分項工程清單,要求施工單位在投標時補充完善危大工程清單并明確相應的安全管理措施。
施工單位應在項目開工前建立本項目危險性較大分部分性工程清單,并根據施工現場實際動態完善危大工程清單。
監理單位應當將監理實施細則、專項施工方案審查、專項巡視檢查、驗收及整改等相關資料納入檔案管理。
施工應當建立危大工程安全管理檔案。施工單位應當將項目危險性較大分部分性工程清單、專項施工方案及審核、專家論證、交底、現場檢查、驗收及整改等相關資料納入檔案管理。監理單位應當將監理實施細則、專項施工方案審查、專項巡視檢查、驗收及整改等相關資料納入檔案管理。施工單位危大工程檔案至少應包含以下內容:
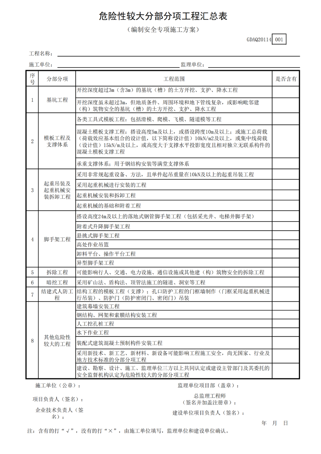
1.危險性較大的分部分項工程清單及相應的安全管理措施。
2.危險性較大的分部分項工程專項施工方案及審批手續。
3.危險性較大的分部分項工程專項施工方案變更手續。
5.危險性較大的分部分項工程方案交底及安全技術交底。
6.危險性較大的分部分項工程施工作業人員登記記錄,項目負責人現場履職記錄。
8.危險性較大的分部分項工程施工監測和安全檢查臺賬記錄。
施工單位應當對危大工程施工作業人員進行登記,項目負責人應當在施工現場履職。
施工單位應當按照規定對危大工程進行安全檢查,重點檢查以下內容:
1.安全專項施工方案管理情況。危大工程100%編制專項施工方案落實情況;危險性較大的分部分項工程,施工單位開展專項方案編制、審核、專家論證程序及現場實施情況。
2.深基坑工程安全管理情況。深基坑(槽)開挖的防護情況,包括周邊防護欄桿、工人專用梯道、同一垂直作業面上下層之間的隔離防護等;深基坑(槽)和邊坡作業的合規性情況,包括支護、降(排)水、放坡、安全監測等。
3.模板支撐系統安全管理情況。模板支撐系統搭設前材料及基礎驗收、安全技術交底、模架搭設、搭設后檢查驗收,使用與檢查、混凝土澆筑、現場安全監測、模架拆除以及監督管理等制度執行情況。
4.起重機械安全管理情況。建筑起重機械產權備案(注銷)、安裝(拆卸)告知、安全檔案建立、檢驗檢測、安裝驗收、使用登記、定期檢查維護保養等制度執行情況,機械設備專職管理人員配備情況以及企業是否具有相關資質和安全生產許可證情況。
5.腳手架安全管理情況。現場腳手架搭設按方案和規范標準要求的執行情況,特別是立桿間距、掃地桿和縱橫向水平桿設置以及剪刀撐和剛性連墻點等強制性要求的落實情況,施工、監理等單位對腳手架驗收情況。
對檢查發現的安全隱患應明確整改責任人、整改時限和整改措施,落實危大工程隱患閉環整改,并建立臺賬存檔備查。施工單位檢查現危及人身安全的緊急情況,應當立即組織作業人員撤離危險區域。
對于按照規定需要驗收的危大工程,施工單位、監理單位應當組織相關人員進行驗收。驗收合格的,經施工單位項目技術負責人及總監理工程師簽字確認后,方可進入下一道工序。危大工程驗收合格后,施工單位應當在施工現場明顯位置設置驗收標識牌,公示驗收時間及責任人員。
(一)提高站位,加強組織領導。各鎮街住房城鄉建設主管部門、各有關企業要清醒認識當前房屋市政工程安全生產形勢的嚴峻性和復雜性,提高政治站位,加強組織領導,高度重視高處危大工程安全管理工作,全面掌握轄區內危大工程的施工狀況和安全隱患排查整治情況,堅決消除安全管理盲區死角。
(二)堅守紅線,落實五方主體責任。各房屋市政工程項目五方責任主體要提高認識,堅守發展決不能以犧牲人的生命為代價這條不可逾越的紅線,依法依規健全和落實安全生產主體責任,明確安全生產職責。嚴格落實本通知各項工作要求,參照附件(各參建單位可在此基礎上增補臺賬)建立健全危大工程管理檔案,堅決遏制生產安全事故發生。
(三)強化執法,形成高壓態勢。各鎮街住房城鄉建設主管部門要加大執法力度,發現工程建設、勘察、設計、施工、監理和監測單位、人員違反本細則等危大工程管理規定的,應當法律法規及《危險性較大的分部分項工程安全管理規定》“法律責任”給予行政處罰。進一步壓實參建各方安全生產主體責任,形成嚴打安全生產違法違規行為的高壓態勢。
10.危險性較大的分部分項工程監理巡視檢查記錄表(監理單位)
12.《危險性較大的分部分項工程安全管理規定》“法律責任”
聲明:轉載此文是出于傳遞更多信息之目的,不為商業用途。文字和圖片版權歸原作者所有,若有來源標注錯誤或侵犯了您的合法權益,請作者與我們聯系,我們將及時更正、刪除,謝謝。

